|
316L Edelstahlfittings
|

|
Eigenschaften
|
|
Spezifikationen
|
|
Modell
|
SSL
|
|
Fluid
|
Luft, Wasser, Dampf, Vakuum
|
|
Anschlussgröße
|
4 mm, 6 mm, 8 mm, 10 mm, 12 mm, 14 mm, 16 mm
|
|
Außengewindegröße
|
M5, R1/8", R1/4", R3/8", R1/2"
|
|
Betriebsdruck
|
0 bis 1,5 MPa
|
|
Max. Druck
|
1,8 MPa
|
|
Betriebstemperatur
|
-20 bis 140 ℃
|
|
Zertifizierung
|
ISO9001:2015, CE
|
|
Anwendbares Rohr
|
Polyurethan und Nylon
|
|
Transportverpackung
|
Innenkarton, Außenkarton, Palette
|
|
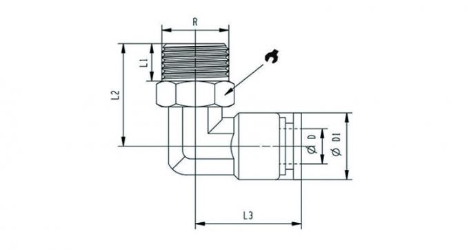
Abmessungen (mm)
|

|
Modell
|
ØD
|
R
|
L1
|
L2
|
L3
|
ØD1
|
Schlüsselweite
|
|
SSL04-M5
|
4
|
M5
|
4
|
23
|
18
|
10
|
10
|
|
SSL04-01
|
4
|
R1/8"
|
7.5
|
23
|
18
|
10
|
12
|
|
SSL04-02
|
4
|
R1/4"
|
9.5
|
25.5
|
18
|
10
|
14
|
|
SSL06-M5
|
6
|
M5
|
4
|
23
|
21
|
12
|
12
|
|
SSL06-01
|
6
|
R1/8"
|
7.5
|
22.5
|
21
|
12
|
12
|
|
SSL06-02
|
6
|
R1/4"
|
9.5
|
25.5
|
21
|
12
|
14
|
|
SSL06-03
|
6
|
R3/8"
|
10.5
|
25.5
|
21
|
12
|
17
|
|
SSL08-01
|
8
|
R1/8"
|
7.5
|
23
|
23
|
14
|
12
|
|
SSL08-02
|
8
|
R1/4"
|
9.5
|
25
|
23
|
14
|
14
|
|
SSL08-03
|
8
|
R3/8"
|
10.5
|
25
|
23
|
14
|
17
|
|
SSL08-04
|
8
|
R1/2"
|
13.5
|
32
|
23
|
14
|
21
|
|
SSL10-01
|
10
|
R1/8"
|
7.5
|
27.5
|
27.5
|
17
|
14
|
|
SSL10-02
|
10
|
R1/4"
|
9.5
|
27
|
27.5
|
17
|
14
|
|
SSL10-03
|
10
|
R3/8"
|
10.5
|
27
|
27.5
|
17
|
17
|
|
SSL10-04
|
10
|
R1/2"
|
13.5
|
34
|
27.5
|
17
|
21
|
|
SSL12-02
|
12
|
R1/4"
|
9.5
|
29
|
32
|
20
|
14
|
|
SSL12-03
|
12
|
R3/8"
|
10.5
|
29
|
32
|
20
|
17
|
|
SSL12-04
|
12
|
R1/2"
|
13.5
|
36.5
|
32
|
20
|
21
|
Ansprechpartner: Ms.
Telefon: 13524668060